

|
||||||||||||||||||||||||||||||||||||||||||||||||||||||||||||||||||||||||||||||||||||||||||||||||||||||||||||||||||||||||||||||||||||||||||||||||||||||||||||||||||||||||||||||||||||||||||||||||||||||||||||||
|
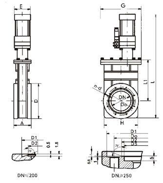
產品介紹 CCQ-A型超高真空插板閥--產品介紹: CCQ-A型超高真空插板閥是通過電磁換向閥改變氣路方向,控制執(zhí)行氣缸驅動閥板作上下運動,達到閥門的開啟或關閉。超高真空插板閥門用于接通或切斷真空管路中的氣流。超高真空插板閥適用介質為純凈空氣和非腐蝕性氣體。超高真空插板閥帶反饋信號裝置。 CCQ-Apneumatic ultra-high vacuum gate valve uses solenoid directional valve to change the direction of air passage, and controls the actuating cylinder to drive the valve disc up and down to make the valve opened or closed. It is used to put through or cut off the air passage in vacuum pipeline. Applicable medium can be pure air and noncorrosive gases. With signal feedback device. CCQ-A型超高真空插板閥主要零件材料 閥體、閥板:不銹鋼 密封件:氟橡膠、波紋管(軸封)、丁腈橡膠 超高真空插板閥主要技術性能 適用范圍:105~1.3×10-7 Pa 閥門漏率:≤1.3×10-7Pa.L/S(DN≤200);≤6.7×10-7Pa.L/S(DN≤250) 適用溫度:30~+150℃ 閥門開啟時閥板兩側的壓差:≤2.7×103Pa
| ||||||||||||||||||||||||||||||||||||||||||||||||||||||||||||||||||||||||||||||||||||||||||||||||||||||||||||||||||||||||||||||||||||||||||||||||||||||||||||||||||||||||||||||||||||||||||||||||||||||||||||||
相關產品 |
||||||||||||||||||||||||||||||||||||||||||||||||||||||||||||||||||||||||||||||||||||||||||||||||||||||||||||||||||||||||||||||||||||||||||||||||||||||||||||||||||||||||||||||||||||||||||||||||||||||||||||||